歡迎訪問北京中天恒遠環保設備有限公司官網!
咨詢熱線:010-8022-5898 手機:18610094262
-
登封市旅游新城污水處理廠介紹(圖文) 2018-01-20 [行業資訊] 熱度:456

登封市旅游新城污水處理廠于2017年建設,河南登封市旅游新城污水處理廠采用較為先進的污水處理工藝, 其設計規模為5萬立方米/日, 先期日處理規模達到5萬立方米/日,項目投資近8000萬元,登封市旅游新城污水處理廠及...
-
醫療機構污水處理設備介紹(圖文) 2018-01-20 [行業資訊] 熱度:294

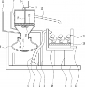
本實用新型涉及一種污水處理設備,尤其涉及一種醫療機構污水處理設備。本實用新型要解決的技術問題是提供一種雙向處理的醫療機構污水處理設備。為了解決上述技術問題,本實用新型提供了這樣一種醫療機構污水處理設備...
-
醫院污水處理具體流程和工藝解析(圖文) 2018-01-20 [行業資訊] 熱度:589

醫院污水處理工藝主要是根據醫院的性質,醫院的大小規模,和當地實際情況的處理要求,進行選則的,主要有以下總結。 一、我國醫院污水處理現狀 近年來,隨著醫院污水排放標準的提高,全國部分城市致力于優選較好的污...
-
膜生物反應器分類介紹(圖文) 2018-01-20 [行業資訊] 熱度:276

目前開發出來的膜生物反應器可以分為三類: 膜分離生物反應器(Membrane separation bioreactor);膜分離生物反應器用于污水處理中的固液分離。 膜曝氣生物反應器(Membrane aeration bioreactor)膜曝氣生物反應器中膜...
-
二甲基亞砜廢水處理方法介紹(圖文) 2018-01-20 [行業資訊] 熱度:644

某企業排放的生產廢水中主要特征污染物為二甲基亞砜(DMSO),廢水的可生化性較差(BOD5/COD=0.02),用常規生物法難以直接處理。DMSO廢水的處理方法主要有化學氧化法和生化法。化學氧化法處理成本較高。生化法中,高效...
-
火電廠廢水低溫余熱濃縮系統介紹(圖文) 2018-01-20 [行業資訊] 熱度:453

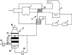
申請日2016.10.21 公開(公告)日2017.05.03 IPC分類號C02F1/16 摘要 本實用新型屬于火電廠廢水處理技術領域,具體涉及一種火電廠廢水低溫余熱濃縮系統。系統包括除塵器、脫硫吸收塔、廢水收集箱、預處理裝置、廢水預...
-
鉆井廢水處理技術介紹(圖文) 2018-01-20 [行業資訊] 熱度:233

鉆井廢水的組成 廢棄泥漿;起、下鉆作業時泥漿的流失及帶出的巖屑;地面設備及鉆井工具的沖洗水;井場生活污水等。 鉆進廢水的特點 鉆井廢水具有點多、面廣、污染物種類復雜、間歇性排放及不可控排放等特點,成為石油行...
-
撫州市廣昌工業園區污水處理廠(圖文) 2018-01-20 [行業資訊] 熱度:398

撫州市廣昌工業園區污水處理廠于2016年建設,江西撫州市廣昌工業園區污水處理廠采用較為先進的污水處理工藝混凝氣浮+水解酸化+A2O處理工藝, 其設計規模為2萬立方米/日, 先期日處理規模達到.5萬立方米/日,由上海市...
-
安義縣工業園區污水處理廠(圖文) 2018-01-20 [行業資訊] 熱度:359

安義縣工業園區污水處理廠于2014年建設,江西安義縣工業園區污水處理廠采用較為先進的污水處理工藝, 其設計規模為2萬立方米/日, 先期日處理規模達到2萬立方米/日,江西安義工業園區污水處理設施建設地點:南昌市安...
-
丙烯腈生產廢水處理(圖文) 2018-01-20 [行業資訊] 熱度:394

丙烯腈(AN)是一種重要的化工原料,廣泛應用于合成纖維、合成樹脂及合成橡膠等領域。2010 年我國丙烯腈的總產量達到約109 萬t,比2009 年增長約11.8%〔1〕。丙烯腈生產過程中會排放大量廢水,廢水中主要含有丙烯腈、...
-
火力發電廠脫硫廢水的零排放處理工藝介紹(圖文) 2018-01-19 [公司動態] 熱度:311

申請日2017.08.17 公開(公告)日2017.10.17 IPC分類號C02F9/06; C02F103/18; C02F101/10; C02F101/14 摘要 本發明公開了一種火力發電廠脫硫廢水的零排放處理工藝,包括以下步驟:1)反應池反應;2)電解處理;3)通過高效...
-
中國市政工程中南設計研究總院(圖文) 2018-01-19 [公司動態] 熱度:454

中國市政工程中南設計研究總院(簡稱:中南市政總院,英文縮寫: CSMDI )創建于 1954 年,原直屬建設部, 2000 年中央所屬工程勘察設計單位體制改革后,進入中國中信集團。 我院是綜合性甲級設計院,具有市政公用行業...
-
鷹泰水務海安有限公司(圖文) 2018-01-19 [公司動態] 熱度:337

鷹泰水務海安有限公司,坐落于江蘇南通市,設計處理能力為日處理污水2.00萬立方米。主要建設內容包括廠區土建施工,工藝設備、工藝管道安裝,電氣、自控系統安裝,照明,防雷接地,采暖,通風,廠區道路施工及綠化等...
-
西安市藍田縣湯峪鎮污水處理廠(圖文) 2018-01-19 [公司動態] 熱度:474

西安市藍田縣湯峪鎮污水處理廠于2015年建設,陜西西安市藍田縣湯峪鎮污水處理廠采用較為先進的污水處理工藝CASS, 其設計規模為.3萬立方米/日, 先期日處理規模達到.3萬立方米/日,西安市藍田縣湯峪鎮污水處理廠建設...
-
活性污泥法處理污水介紹 2018-01-19 [公司動態] 熱度:282

活性污泥法處理污水,是利用活性污泥在廢水中的凝聚、吸附、氧化、分解和沉淀等作用,去除廢水中有機污染物的一種廢水處理方法。活性污泥法是向廢水中連續通入空氣,經一定時間后因好氧性微生物繁殖而形成的污泥狀絮...
- 首頁
- 上一頁
- 553
- 554
- 555
- 556
- 557
- 558
- 559
- 560
- 561
- 562
- 563
- 下一頁
- 末頁
- 共 656頁9831條
服務地區:北京;天津;上海;重慶;河北;河南;云南;遼寧;黑龍江;湖南;安徽;山東;江蘇;浙江;江西;湖北;廣西;甘肅;山西;陜西;吉林;福建;貴州;廣東;青海;四川;寧夏;海南
服務地區:哈爾濱;長春;沈陽;南京;濟南;合肥;石家莊;鄭州;武漢;長沙;南昌;西安;太原;成都;西寧;海口;廣州;貴陽;杭州;福州;臺北;蘭州;昆明;銀川;烏魯木齊;拉薩;南寧
補充分類:電廠;工業;游泳池;系統;工程;工程師;藥劑;過濾器;絮凝劑;公司;廠家;生產廠家;