歡迎訪問北京中天恒遠環保設備有限公司官網!
咨詢熱線:010-8022-5898 手機:18610094262
-
游泳池循環水處理系統 2018-03-31 [污水處理] 熱度:404

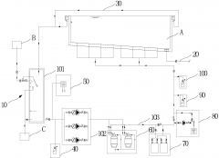
今天為您介紹的是游泳池循環水處理系統 游泳池循環水處理系統,包括與游泳池進水口連接的供水系統、與游泳池出水口連接的排水系統以及與游泳池溢流口連接的溢流系統;所述供水系統包括與游泳池進行水源交換的均衡水箱...
-
MVR過熱蒸汽污泥連續干燥系統 2018-03-31 [污水處理] 熱度:448

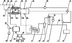
今天為您介紹的是MVR過熱蒸汽污泥連續干燥系統 MVR過熱蒸汽污泥連續干燥系統及工作方法,屬于能源與動力等領域。其特征在于:與傳統污泥干燥系統相比,該系統采用干燥器(3),利用過熱蒸汽(31)與待干燥污泥直接換熱,...
-
污泥制磚技術 2018-03-31 [污水處理] 熱度:379

今天為您介紹的是污泥制磚技術 利用制磚方式對剩余污泥進行徹底處置的技術。它是將含水為60%的濕污泥利用磚廠余熱進行干化,以總重量8%10%的比例,同黏土、煤矸石一起作為制磚原料。干化后的污泥進入粉碎車間,進行...
-
高效印染廢水脫色劑合成 2018-03-31 [技術新聞] 熱度:387

今天為您介紹的是高效印染廢水脫色劑合成 印染廢水是一種有機物含量高、色度高、難生化降解的廢水,其成分復雜,國內外進行了大量的研究。自20世紀70年代以來,美、日、英、法等國在印染廢水處理中都大量使用了陽離子型...
-
夏津縣第三污水處理廠正式破土動工 主要用于處理景區生活污水 2018-03-27 [污水處理] 熱度:419

今天小編為您介紹的是 夏津縣第三污水處理廠正式破土動工,主要用于處理景區生活污水 ,下面是具體內容。 日前,夏津縣第三污水處理廠正式破土動工。 據了解,第三污水處理廠位于我縣黃河故道生態旅游區,主要用于處...
-
長島縣將進行綜合管網工程改造 計劃投資約8300萬元 2018-03-27 [污水處理] 熱度:362

今天小編為您介紹的是長島縣將進行綜合管網工程改造,計劃投資約8300萬元,下面是具體內容。 長島縣計劃投資約8300萬元進行綜合管網工程改造,完成文化街、通海路、迎賓街、影劇院-毛紡廠、北長山(西段)等總長為9.2...
-
開陽縣南江鄉污水處理工程預計6月初可完成建設并投入使用 2018-03-27 [污水處理] 熱度:338

今天小編為您介紹的是開陽縣南江鄉污水處理工程預計6月初可完成建設并投入使用,下面是具體內容。 開陽縣南江鄉污水處理工程位于南江鄉集鎮附近,該工程建設規模為新建日處理400立方米污水處理廠一座,新建污水管網...
-
廣東全省合計210座污水處理廠需要進行改造 2018-03-27 [行業資訊] 熱度:271

今天小編為您介紹的是廣東全省合計210座污水處理廠需要進行改造,下面是具體內容。 近日,省住建廳、省環保廳聯合印發了《關于進一步加快敏感區域污水處理設施提標改造工作的通知》,要求到今年年底前,全省210座處...
-
金堂縣將立即完善“截污行動”方案 明確工作責任 2018-03-27 [行業資訊] 熱度:371

今天小編為您介紹的是金堂縣將立即完善截污行動方案 明確工作責任,下面是具體內容。 近日,金堂縣召開清河行動工作會,傳達成都市沱江流域水生態治理專題會議精神,安排部署全縣清河行動工作和控源截污處理行動工作...
-
2018年年底蓮都區將基本實現市區源頭截污納管全覆蓋 2018-03-27 [行業資訊] 熱度:397

今天小編為您介紹的是 2018年年底蓮都區將基本實現市區源頭截污納管全覆蓋 ,下面是具體內容。 為持續深入推進五水共治工作,加快實現市區截污納管全覆蓋,日前,蓮都區召開市區截污納管排查整治工作動員部署會。 自...
-
禪城區南莊鎮率先完成農村污水收集管網建設項目 2018-03-27 [行業資訊] 熱度:375

今天小編為您介紹的是 禪城區南莊鎮率先完成農村污水收集管網建設項目 ,下面是具體內容。 記者從禪城區南莊鎮羅南村獲悉,歷時半年左右,總長15.3公里、總投資達3500萬元的羅南村污水管網建設工程近日完工,標志著...
-
今年6月贛江右岸截污工程預計完工(圖文) 2018-03-27 [行業資訊] 熱度:277

今天小編為您介紹的是 今年6月贛江右岸截污工程預計完工 ,下面是具體內容。 近日,記者來到贛江右岸江西省人民醫院附近,發現這里正在圍擋施工。據了解,贛江右岸截污工程正在進行地下摸排預施工,工程涉及沿線民生...
-
今年黃河水務集團計劃完成供水3.27億立方米 2018-03-27 [行業資訊] 熱度:266

今天小編為您介紹的是 今年黃河水務集團計劃完成供水3.27億立方米 ,下面是具體內容。 近日,記者從黃河萬家寨水務集團有限公司工作會議暨黨風廉政建設會議上獲悉,2018年,黃河水務集團計劃完成供水3.27億立方米,...
-
2018年江蘇全省加快污水治理 計劃整治黑臭水體129條 2018-03-27 [行業資訊] 熱度:384

今天小編為您介紹的是 2018年江蘇全省加快污水治理,計劃整治黑臭水體129條 ,下面是具體內容。 截至到2017年底,全省13個設區市共實施城市黑臭水體整治195條,全年新增城鎮污水處理能力42.5萬立方米/日,新增污水收...
-
黑臭污水日排6700多噸流入珠江支流 2018-03-27 [行業資訊] 熱度:397

黑臭污水日排6700多噸流入珠江支流 ,小編為您介紹詳細情況。 近日 有市民向南都投訴稱,南浦大橋南端東側常年有一股污水直接排珠江支流三支香水道。據了解,該排污口為廣州碧桂園小區的生活污水總排放口,存在已19...
- 首頁
- 上一頁
- 524
- 525
- 526
- 527
- 528
- 529
- 530
- 531
- 532
- 533
- 534
- 下一頁
- 末頁
- 共 656頁9831條
服務地區:北京;天津;上海;重慶;河北;河南;云南;遼寧;黑龍江;湖南;安徽;山東;江蘇;浙江;江西;湖北;廣西;甘肅;山西;陜西;吉林;福建;貴州;廣東;青海;四川;寧夏;海南
服務地區:哈爾濱;長春;沈陽;南京;濟南;合肥;石家莊;鄭州;武漢;長沙;南昌;西安;太原;成都;西寧;海口;廣州;貴陽;杭州;福州;臺北;蘭州;昆明;銀川;烏魯木齊;拉薩;南寧
補充分類:電廠;工業;游泳池;系統;工程;工程師;藥劑;過濾器;絮凝劑;公司;廠家;生產廠家;